邮 箱:ttpump@163.com
手 机:13615332800
电 话:0533-4160533
地 址:山东淄博博山沿河东路3号

MF系列泵为单级,单吸,径向剖分混流泵。泵的安装方式为卧式或立式,底脚支承。结构设计特点见剖面图
MF系列泵适合输送大流量低扬程的,清洁的或带有微量固体颗粒的,中性或有腐蚀性的液体。
■化学流程中的强制循环
■海水养殖
■城市煤气工程
■水处理系统
■水利灌溉及污水处理
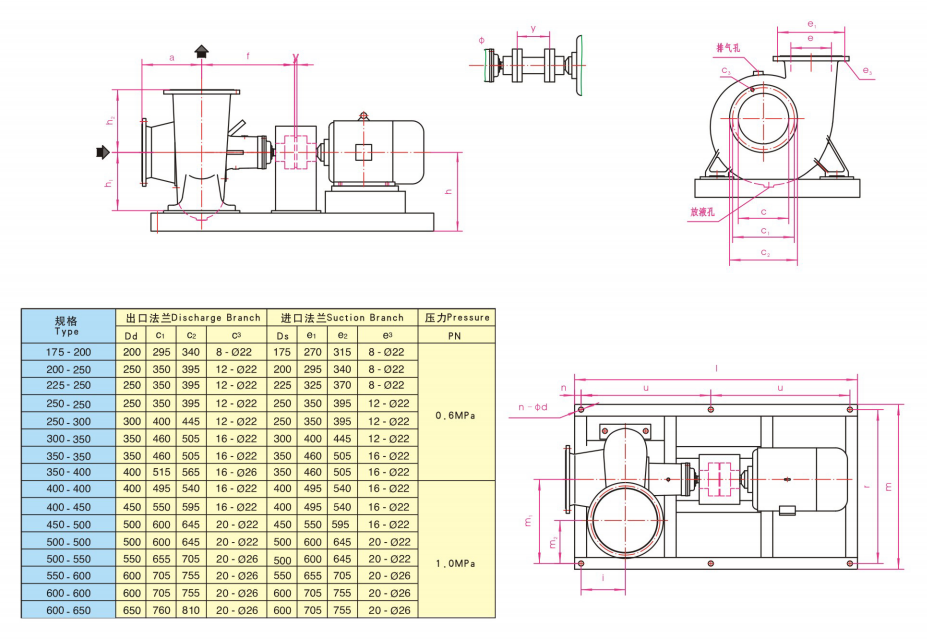
口径:DN 175~600mm
流量:Q ~7000m³/h
扬程:H~25m
根据型谱及性能曲线进行选型
工作压力:P~1.0Mpa
根据不同材质不同规格进行选择
工作温度:t-20℃~+160℃
①系列名称
②进口口径mm
③出口口径mm
④安装方式: 不标注表示卧式,01表示立式安装
碳钢C.S
不锈钢S.S
根据实际工况可选用其它特殊材质
■后拉出式结构,在维修时,不必拆卸主管路。
■底脚支撑,可承受来自管路的任何载荷,从而保护转子不会因泵承受载荷而产生弯曲。
■规格在350-400以内,法兰压力等级为1.0Mpa,大规格泵的法兰压力等级为0.6Mpa。
■泵的旋转方向:从驱动端看为顺时针方向。
■可采用电机驱动或内燃机,汽轮机驱动哋。
Copyright © 2020 淄博博山天体真空设备有限公司 版权所有 备案号:鲁ICP备2020049334号
鲁公网安备 37030402001448号